-
Wind Power Surge Protector
WIND SURGE PROTECTOR
-
Overview of The Products
Power surge protectors (SPDs) are used to protect against lightning or other transient overvoltage induced surges, releasing large
surge currents on the power line to the ground and limiting overvoltage. Mainly installed in various distribution cabinets (boxes) of
the power supply system, acting as a role in protecting the circuit, electrical equipment, and personal safety.
Electric Technical Parameters
Product model
/ parameter
|
NJD1-B/80
|
NJD1-B/100
|
NJD1-B/120
|
NJD1-B/160
|
NJD1-B/200
|
Rated working voltage
|
220V/380V
|
Maximum continuous operating voltage
|
385V
|
Voltage protection level
|
≤ 2.2
|
≤ 2.5
|
≤ 2.8
|
≤ 3.0
|
≤3.5
|
Nominal discharge current
|
45
|
65
|
80
|
100
|
120
|
Maximum discharge current
|
80
|
100
|
120
|
160
|
200
|
Lightning pulse current
|
12.5 15 12 50
|
response time
|
<25
|
Test basis
|
GB/T18802.11
|
Minimum cross-sectional area of connecting wires
|
≥ 4
|
Minimum cross-sectional area for connecting grounding wires
|
≥ 6
|
Front overcurrent protection device
|
T2 80/100/120/160/200
|
work environment
|
-40℃ ~+85℃
|
relative humidity
|
≤ 95%
|
Install
|
Guide rail installation 35mm
|
Shell material
|
glass fiber reinforced plastic
|
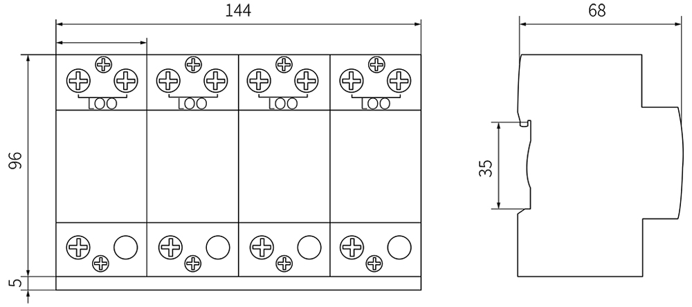
Outline and Installation Dimensions
