-
XZPV-DC16 Lightning Protection Junction Box
-
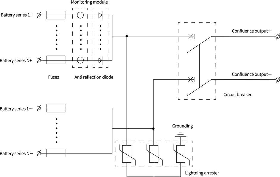
XZPV-DC16 lightning protection combiner box combines up to 16 DC input combiners of photovoltaic cell
modules into one or multiple outputs, each fitted with a fuse, and the output is equipped with lightning
protection devices and circuit breakers, thus greatly simplifying the input wiring of DC distribution cabinets
and inverters. Provide lightning protection, short circuit protection, and grounding protection. The combiner
box is divided into two types: intelligent and non-intelligent. Inside of the former there is equipped with a
current monitoring unit, which can monitor the input current of each photovoltaic cell string, summarize the
output voltage, the temperature inside the box, the status of the lightning arrester and the circuit breaker.
Electric technical parameters
Product model
|
XZPV-DC32
|
XZPV-DC24
|
XZPV-DC16
|
XZPV-DC8
|
Number of input channels
|
32
|
24
|
16
|
below 8 channels
|
Maximum input voltage
|
DC1500V
|
Input current of each channel
|
0~20A
|
Maximum output current
|
400A
|
300A
|
200A
|
140A
|
Circuit breaker frame current
|
630A
|
400A
|
315A
|
250A
|
Input joint
|
MC4(optional)
|
Input waterproof terminal size
|
M16(Ф4~8mm)
|
Output waterproof terminal size
|
M63(Ф37~44mm)
|
Grounding waterproof terminal size
|
M18(Ф5~10mm)
|
Communication waterproof terminal size
|
M18(Ф5~10mm)
|
Monitoring module
|
detect the current of each channel, the bus voltage, the circuit breaker status, the lightning arrester status, and the box temperature
|
Communication method/protocol
|
RS485 bus /standard MODBUS-RTU protocol
|
Anti-reverse function
|
configured with modularly packaged anti-reverse diodes (optional)
|
Temperature and humidity
|
working temperature: -25~+50 ℃, humidity 95%, without condensing, without corrosive gas environment
|
Altitude
|
≤ 2000m
|
Monitoring module power consumption
|
≤ 8W during operation
|
Auxiliary power supply
|
Auxiliary power supply:AC85V~265V/DC24V(10%)/DC300V~1500V
|
Box material
|
hot-dip galvanized steel plate/stainless steel/cold-rolled steel plate
|
Level of protection
|
IP65
|
Schematic Diagram
