-
风电浪涌保护器
WIND SURGE PROTECTOR -
产品概述
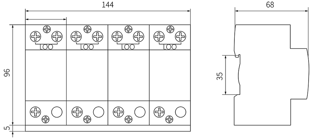
电源电涌保护器 (SPD) 用于对雷电影响或其他瞬时过压引起的电涌进行防护,将电源线上的浪涌大电流泄放到大地,对过电压进行限制。主要安装在供电系统的各配电柜 ( 箱 ),起到保护线路和用电设备以及人身安全的作用。产品参数
产品型号 /参数 NJD1-B/80 NJD1-B/100 NJD1-B/120 NJD1-B/160 NJD1-B/200 额定工作电压 220V/380V 最大持续工作电压 385V 电压保护水平 ≤ 2.2 ≤ 2.5 ≤ 2.8 ≤ 3.0 ≤3.5 标称放电电流 45 65 80 100 120 最大放电电流 80 100 120 160 200 雷电脉冲电流 12.5 15 12 50 响应时间 <25 测试依据 GB/T18802.11 接入导线最小截面积 ≥ 4 接入接地线最小截面积 ≥ 6 前置过流保护装置 T2 80/100/120/160/200 工作环境 -40℃ ~+85℃ 相对湿度 ≤ 95% 安装 标准导轨道 35mm 外壳材料 玻璃纤维增强塑料 外形及安装尺寸


